
适合糖果、瓜子、果冻、冷冻、宠物食品、膨化食品、开心果、花生、果仁、杏仁、葡萄干等休闲食品、大壳坚果、五金件、塑料胶粒等各种颗粒状、片状、条状、圆状及不规则形状等物料的定量称重。

1. 采用高精度的特制传感器。
2. 出厂参数设置恢复功能,支持多段重量标定。
3. 缺料时可自动暂停,使称量更加稳定。
4. 运行中各线振幅可独立调节,使加料更加均匀。
5. 多种语言可供选用,操作方便,适用于全球市场。
6. 存贮100套参数设置,实现多种物料需求,帮助菜单,方便学习使用。
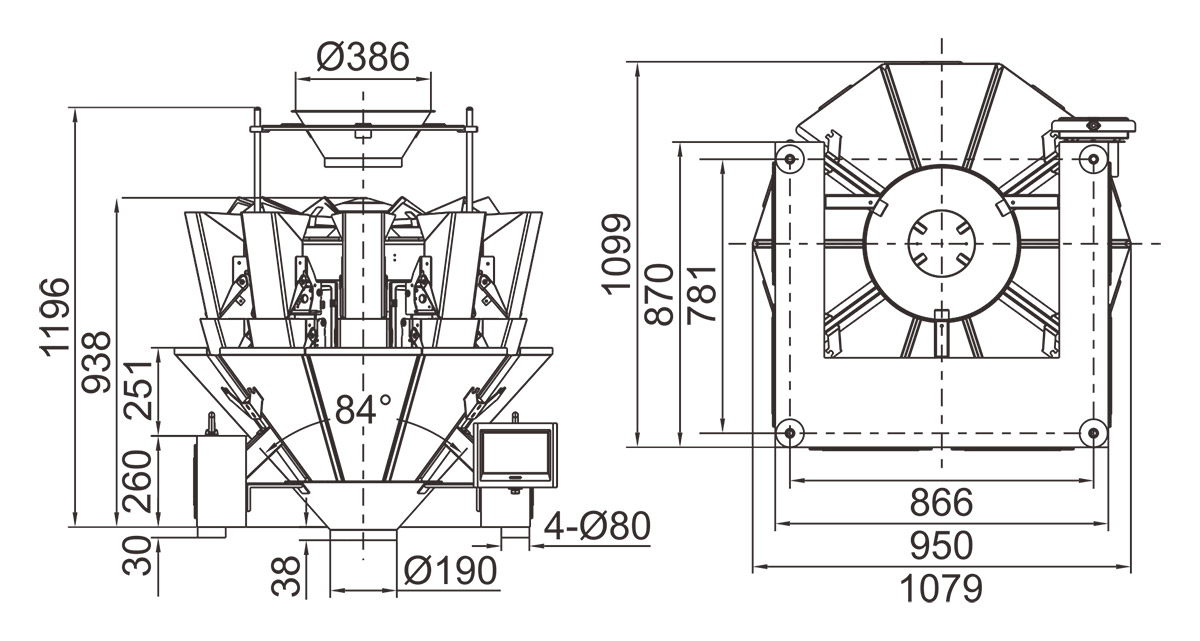
1. 1.6L/2.5L料斗,适合各种常见标准物料,适应范围广。
2. 统一的设计标准,采用模具制作工艺,使各个零部件的互换性更强。
3. 铸铝加厚整体中座增强了机器的强度,称量的稳定时间更短。
4. 可选称重式物料检测,准确控制加料时间,物料厚度,保证称重精度;
5. 可选专利型无弹簧料斗,性价比更高。
| 型号 | JW-A10 | JW-A12 | JW-A14 | JW-AM10 | JW-AM14 | JW-A10 | JW-A14 |
| 识别代号 | A10-1-1 | A12-1-1 | A14-1-1 | AM10-1-1 | AM14-1-1 | A10-1-3 | A14-1-3 |
| 称重范围 | 10-1000g | 10-1500g | 10-1500g | 100-3000g | 100-3000g | 10-1000g | 10-1500g |
| 称量精度范围 | X(0.5) | X(0.5) | X(0.5) | X(1) | X(1) | X(0.5) | X(0.5) |
| 最大称重速度 | 65P/M | 65P/M | 120P/M | 50P/M | 80P/M | 60P/M | 100P/M |
| 料斗容量 | 1.6/2.5L | 5L | 1.6L(无弹簧) | ||||
| 操作界面 | 7寸触摸屏 | ||||||
| 选构装置 | 花纹秤斗/集料斗/数据打印装置/超重选别装置 | ||||||
| 驱动方式 | 步进电机 | ||||||
| 电源规格 | 220V/1000W/50/60Hz/10A | 220V/1200W/50/60Hz/10A | 220V/1500W/50/60Hz/10A | 220V/1500W/50/60HZ/10A | 220V/1500W/ 50/60HZ/12A | 220V/1000W/50/60Hz/10A | 220V/1500W/50/60Hz/12A |
| 包装尺寸(L*W*H) | 1620x1100x1110mm | 1660x1100x1120mm | 1700x1100x1265mm | 1950X1280X1690mm | 2195X1380X1810mm | 1620x1100x1110mm | 1700x1100x1265mm |
| 包装重量 | 380kg | 430kg | 490kg | 600kg | 750kg | 380kg | 490kg |



