
适用于蔬菜沙拉、水果沙拉、土豆,洋葱,西红柿,圣女果等蔬菜、水果类的大目标重量或大容量物料的定量称重。

1. 采用高精度的特制传感器。
2. 智能化的多次采样稳定模式,称量更精准。
3. 智能化的故障报警提示,维护更方便。
4. 高速异步放料功能,有效防止物料阻塞。
5. 全新高集成模块化设计,采用了CAN总线技术。
6. Modbus工业标准通信协议,实现组合秤和包装机界面合二为一。
1. 可调整转速主振机增加了物料的通用性。
2. 加大振幅线振机增强了物料的流动性。
3. 下倾式专用线振盘保证加料顺畅。
4. 60°夹角小花纹斜槽有利于物料的下落、有效控制粘料现象。
5. 可选称重式物料检测功能,准确控制主振盘上物料的总体重量,称量更精准。
型号 | JW-AM14 | JW-AM16 |
识别代号 | AM14-2-11 | AM16-2-11 |
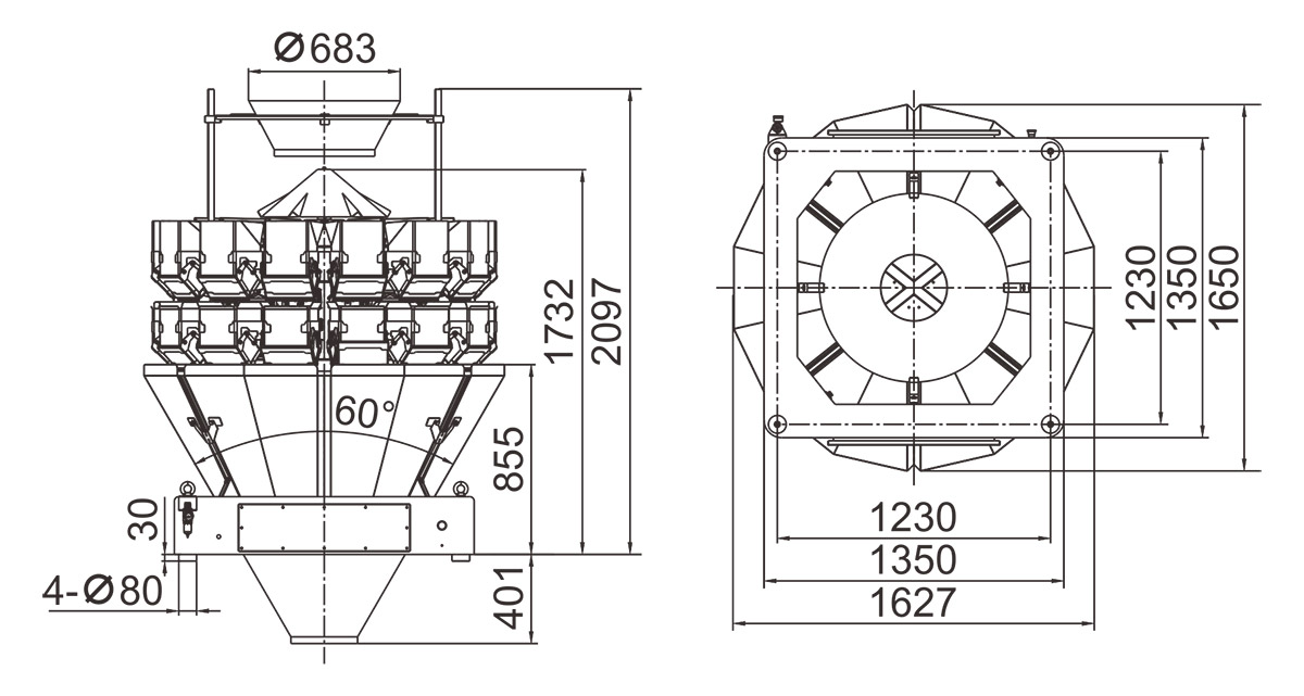
称重范围 | 10-3000g | 10-3000g |
称重精度范围 | X(1) | X(1) |
最大称重速度 | 80P/M | 120P/M |
料斗容量 | 7.5L | |
操作界面 | 10.1寸触摸屏 | |
选购装置 | 集料斗/数据打印装置/超重选别装置 | |
驱动方式 | 步进电机 | |
电源要求 | 220V/1500W/50/60Hz/12A | 220V/2000W/50/60Hz/16A |
包装尺寸(mm) | 2080(L)x1540(W)x1830(H) | 2200(L)x1540(W)x1900(H) |
包装重量 | 870kg | 870kg |



