
适用于各类颗粒状、片状、条状、圆状、不规则状和膨化类、五金件等物料,如瓜子、花生、果仁、杏仁、葡萄干、糖果、开心果、薯片、虾条、饺子、肉丸等。

1. 采用高精度的特制传感器。
2. 智能化的多次采样稳定模式,称量更精准。
3. 智能化的故障报警提示,维护更方便。
4. 高速异步放料功能,有效防止物料阻塞。
5. 全新高集成模块化设计,采用了CAN总线技术。
6. Modbus工业标准通信协议,实现组合秤和包装机界面合二为一。
1.采用分隔主振盘,可用于二种混合物料。
2.采用独立主振机,分别控制不同物料的加料厚度。
3.新增记忆斗,实现称重物料的暂存,增加组合概率,有效提升精度。
4.口字型机箱和中座一体化焊接极大的增强了机器的强度,使得料斗的稳定时间更短。
型号 | JW-A16 |
识别代号 | A16-4-2 |
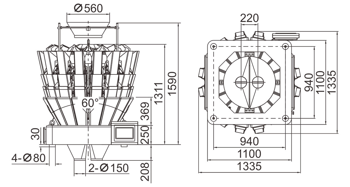
称重范围 | 10-1000g |
称重精度范围 | X(0.5) |
最大称重速度 | 120x2P/M |
料斗容量 | 1.6L |
操作界面 | 10.1寸触摸屏 |
选购装置 | 花纹秤斗/集料斗/数据打印装置/超重选别装置 |
驱动方式 | 步进电机 |
电源要求 | 220V/2300W/50/60Hz/11A |
包装尺寸(mm) | 1860(L)x1200(W)x1540(H) |
包装重量 | 650kg |



